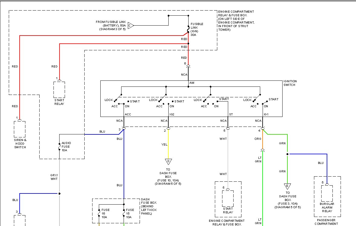
2008 Lincoln Navigator Radio Wiring Diagram Lincoln Navigator Radio Wiring Diagram 2003 88a9 526a
2005 lincoln l wiring diagram. I need a radio wiring diagram for a 2003 lincoln navigator with factory. Elantra tiburon ignition schematic justanswer imageservice freestar motogurumag
2008 lincoln navigator radio wiring diagram
Download PDF
I am hooking up an aftermarket cd player in my 2002 lincoln ls. i need


2006 tiburon wiring diagram. Wiring lincoln diagram navigator radio 2004 2003 need. Wiring lincoln diagram stereo ls 2002 radio justanswer continental ford aftermarket plug. I need a radio wiring diagram for a 2003 lincoln navigator with factory
31 2004 Lincoln Navigator Radio Wiring Diagram - Wire Diagram Source
2005 Lincoln L Wiring Diagram
2002 Lincoln Navigator Radio Wiring Diagram Pictures - Wiring Diagram
I am hooking up an aftermarket CD player in my 2002 Lincoln LS. i need
2004 Lincoln Navigator Stereo Wiring Diagram | Wiring Diagram Gallery
